0 引言 科姆龍變頻器作為節能、環保的高新技術產品,而被推廣并應用。隨著KV2000 無感矢量變頻器的應用越來越廣,用戶經常會用到變頻器RS485通訊功能,例如變頻器與PLC 或其他上位機進行的通訊。作者憑多年的工作實踐與經驗,對變頻器RS485通訊有獨特的理解和體會,今天有機會把它整理出來,希望對從事自動化領域,尤其是變頻器應用領域的工作者有所幫助。在此特別鳴謝福建泉州的王華安總經理在寫作過程中給予的幫助與支持。 1 KV2000變頻器RS485介紹 1.1 RS485通訊端口參數 科姆龍KV2000 無感矢量變頻器RS485 通訊端口參數,在通過電腦及其他上位機進行通訊控制時,F093用來指定本變頻器的通訊地址、通訊格式和通訊速率,其參數設定格式為F093=PB.ID 其中: P為通訊格式,設定說明見表1; B為通訊速率,設定說明見表2; ID為通訊地址,設定范圍為ID=01~99。 1.2 RS485硬件介面規格 變頻器與電腦通訊時,可轉換為標準的9 pinDsub(公)電腦接頭。轉換后的定義見表3。RS485轉換接口外觀見圖1。 RS485 介面可允許多臺變頻器的相應信號端子直接并聯。



1.3 KV2000通訊格式 1.3.1 對變頻器的命令 經由RS485 介面與變頻器之間的信息溝通都是ASCII碼字串,結尾須加CR 符號(0x0D)。電腦的通訊端口必須定義為7Bit data,Even Parity 1)運行控制命令(變頻器無回復資料) 命令格式 【C,uu,cc,fffff】 其中:C為運行控制命令的起始字元。 uu 為通訊地址,指定第uu 臺接收本字串。uu(ID)可指定為第00~99臺。若uu=00,則所有的變頻器都必須接受命令。 cc為十進制運行控制命令代碼(00~15)。由四個二進制信號組成,設定見表4。 fffff為速度設定值。

2)參數書寫命令(變頻器無回復資料) 命令格 式 【W,uu,nn,ddddd】或 【W,uu,nnn,ddddd】 其中: W為參數書寫命令的起始字元。 uu 為通訊地址,指定第uu 臺接收本字串。uu (ID)可指定為第00~99臺。若uu=00,則所有的變 頻器都必須接受命令。 nn(n)在通訊格式P=0 時,參數號碼為兩位數 “nn”,參數號碼由00~99。通訊格式P=1時,參數號 碼為三位數“nnn”,參數號碼由000~099。 ddddd為欲寫入的參數值,由00000~65 535。 3)參數讀取命令(變頻器將會回復參數值及運 行狀態) 命令格式 【R,uu,nn】或 【R,uu,nnn】 其中: R為參數讀取命令的起始字元。 uu 為通訊地址,指定第uu 臺接收本字串。uu(ID)可指定為第00~99臺。若uu=00,則所有的變頻器都必須接受命令。 nn(n)在通訊格式P=0 時,參數號碼為兩位數“nn”,參數號碼由00~99。通訊格式P=1時,參數號碼為三位數“nnn”,參數號碼由000~099。 1.3.2 變頻器回復電腦的信息 變頻器接到要求的參數讀取命令時,立即開始回復該參數及當時的運行資料,回復信息的格式【P,uu,nn,tt,ddddd,s,aaaa】或【P,uu,nnn,tt,ddddd,s,aaaa】其中: P為參數回復信息的起始字元。 uu為指出本字串為第uu臺的回復信息,由各變頻器的參數F093決定本身的通訊地址。 nn(n)在通訊格式P=0 時,參數號碼為兩位數“nn”,參數號碼由00~99。通訊格式P=1時,參數號碼為三位數“nnn”,參數號碼由000~099。 tt 為回復參數的資料類型(略,詳見KV2000 用戶使用說明書)。 ddddd為回復的參數值(00000~65 535)。 s回復變頻器的輸出狀態,包括 s=1變頻器反轉輸出中; s=2變頻器正轉輸出中; s=3變頻器停止; s=其他值,未定義。 aaaa 為回復變頻器最近4 次故障記錄,(0000~9999)四個數字分別代表最近4 次故障的代碼記錄,具體為 千位數的a 代表現在的故障狀況的代碼; 百位數的a 代表前一次的故障狀況的代碼; 十位數的a 代表前兩次的故障狀況的代碼; 個位數的a 代表前三次的故障狀況的代碼。 2 可編程控制器(PLC)簡介早期,用導線將各種繼電器、接觸器及其觸點按一定的邏輯關系連接成控制系統,從而實現對各種生產機械的控制,這就是我們所熟悉的傳統的繼電器接觸器控制。由于它簡單易懂,使用方便,價格低廉,在一定的范圍內能滿足控制要求,因而在工業控制領域中得到廣泛應用并曾占據主導地位。但是,這種繼電器接觸器裝置采用的是固定接線方式,是一種專用控制裝置,一旦生產過程有所變動,就得重新設計線路并連接安裝,因此,這種裝置的通用性和靈活性較差,不利于產品的迅速更新換代。 PLC是在傳統的順序控制器的基礎上引入了微電子技術、計算機技術、自動控制技術和通訊技術而形成的一代新型工業控制裝置,目的是用來取代繼電器控制系統,執行邏輯、記時、計數等順序控制功能,建立柔性的程序系統。IEC 頒布了對PLC 的定義:可編程控制器是一種數字運算操作的電子系統,專為在工業環境下應用而設計。它采用可編程序的存儲器,用來在其內部存儲執行邏輯運算、順序控制、定時、計數和算術運算等操作的指令,并通過數字的、模擬的輸入和輸出,控制各種類型的機械或生產過程??删幊炭刂破骷捌溆嘘P設備,都應按易于與工業控制系統形成一個整體(如圖2 所示),易于擴充其功能的原則設計。PLC 具有通用性強、使用方便、適用面廣、可靠性高、抗干擾能力強、編程簡單等特點。

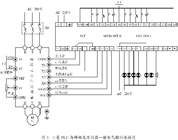
3 運用可編程控制器PLC 對變頻器的常規控制 3.1 PLC接受的變頻器輸出參數 如圖3所示,變頻器的運行信號,報警輸出,頻率到達,轉速輸出,AM 模擬量輸出等參數輸入到PLC 的輸入點和D/A、A/D轉換模塊。 3.2 變頻器接受的PLC輸出的控制參數 1)PLC 輸出點控制變頻器的運行和停止; 2)PLC 輸出點控制變頻器多段速度運行; 3)PLC 輸出點控制變頻器的故障復位; 4)PLC 的D/A或A/D模塊輸出給定變頻器的運行頻率。 3.3 常規應用方式的缺點 1)不能進行內部數據的傳遞; 2)占用了PLC 較多的輸入/ 輸出點,且還需要添加D/A轉換和A/D轉換特殊功能模塊,這種控制模式極大地增加了變頻器的控制成本; 3)變頻器必須進行繁瑣的控制線路的配線(如圖3 所示),使得變頻器的運行穩定性降低,變頻器維護和故障排除變得困難。如果幾臺變頻控制電機要進行同步運行,很明顯,這種控制模式就更加難以滿足需求。

4 三菱PLC與科姆龍變頻器的通訊說明 下面介紹如何利用三菱PLC 的RS 指令對KV2000變頻器進行通訊控制,具體的RS指令說明請參照三菱公司《FX通訊手冊》第九章關于RS指令的介紹。 4.1 特殊輔助繼電器 特殊輔助繼電器如表5所列。 4.2 特殊數據寄存器 特殊數據寄存器如表6所列。 4.3 通訊格式(D8120) 通訊格式(D8120)如表7所列。 通訊格式決定RS 指令和變頻器通訊時的通訊設置(數據長度、奇偶校驗位和波特率等),根據變頻器的通訊設定來設置D8120,設置好D8120 參數后,PLC要斷電一次,后再通電,以確保參數寫入。

4.4 三菱PLC擴展RS485通訊模塊 RS485 串行數據通訊接口,在三菱FX2N 系列PLC 上擴展一個RS485通訊模塊,型號為FX-485-BD,如圖4 所示。三菱PLC 與科姆龍變頻器通訊的硬件接線原理圖見圖5。 5 PLC讀取變頻器參數程序范例 在設計軟件方面,首先對變頻器通訊環境進行參數設置,包括地址、波特率、奇偶校驗等。然后,根據變頻器的通訊協議(詳見本文第1 節),運用三菱可編程控制器的串行數據通訊RS指令,設計出PLC對變頻器實行控制的梯形圖程序,如果系統配有觸摸屏(人機界面),可將觸摸屏的軟件設計也納入對變頻器的監控中,限于篇幅的原因,人機界面的內容在這里不再描述。


5.1 PLC讀取變頻器參數的程序 設定F093為6.01,表示通訊格式為KV2000通訊格式,參數號碼為兩位數“nn”;通訊速率是19200bit/s,1stopbits,通訊地址是第1臺變頻器。 5.1.1 通訊程序1主要功能解說 通訊程序1如圖6所示。

結合表7 內容,串行通訊設定為波特率19 200,偶校驗,7位數據長度,1位停止位。 2)8 位/16位變換標志(M8161) 當M8161 OFF時,16 數據被分為高8 位和低8 位,然后發送或接收。當M8161 ON時,高8位被忽略,只有低8位被視為有效。上述程序設的是8位模式。 3)數據傳輸標志和接收結束標志(M8122 和M8123) M8122是數據傳輸標志,當發送完成時,此請求自動復位,不要用程序復位此請求。接收完成標志M8123不能在一個連續的程序中復位。 5.1.2 通訊程序2主要功能解說 通訊程序2如圖7所示。 RS 指令用RS232 端口選用設備來發送和接收串行數據。在本范例中,它規定了從可編程控制器發送數據的首地址(D50)和點數(D1),還規定了接收數據的存儲首地址(D65)和最大可接受的點數(D0)。 根據參數讀取命令【R,uu,nn】,由十六進制與代碼對照表中得知,傳送給D50、D51、D52、D53、D54、D55、D56、D57的數據分別是【R,01,60 CR】,如圖8所示。則表示PLC讀取第1臺變頻器的F060參數(F060表示變頻器輸出電壓)。


5.2 設定頻率和運行方向的程序 根據運行控制命令,由十六進制與代碼對照表中得知,當程序傳送【H43,H2C,H30,H31,H2C,H30,H32,H2C,H30,H34,H30,H30,H30,H0D】時,傳送的代碼是【C,01,02,04000CR】,如圖9 所示,表示第1 臺變頻器以40 Hz 的頻率進行正轉運行,程序略。 5.3 PLC與變頻器RS485通訊的特點 1)僅通過一條通訊電纜連接,無須其他外部接線,見圖10; 2)幾乎完成傳統應用的所有功能; 3)能進行內部的數據通訊,非常方便地從變頻器中獲取所驅動的電動機各種電參數如:運行頻率、電流、電壓、功率等,配以人機界面,則直接顯示上述 電參數; 4)通過人機界面或上位機等可對變頻器的參數進行設置或修改; 5)普通變頻器最多32臺掛在RS485總線上,而科姆龍變頻器則可以實現最多99 臺掛在RS485 總線上。實現PLC 對變頻器的集散式遠程控制(其對多臺變頻器同步運行控制效果尤為理想)

6 結語 應用RS485串行數據通訊總線對變頻器實行控制,既能極大地節約成本又能有效地滿足控制需求,是一項值得推廣的變頻器控制技術。
|